歡迎光臨 [ 麻豆网页在线免费观看 ] 官方網站! 網站首頁      |     聯係我們

潷水器

產品列表
加藥裝置係列

TBAD三腔式自動加藥裝置

概述
       TBAD三腔式自動加藥裝置是一個自動、連續式的絮凝劑溶配裝置,配製溶液範圍為0-5000升/時,濃度為0.1%-0.3%。
       幹粉絮凝劑從螺旋推進器內進入速溶器內與清水進行預混,被濕潤的物料進入配製槽進行攪拌稀釋,按要求濃度進行配製;配製過程中,進水量在流量計觀測下必須相對穩定,從而保證在整個工作工程中,配製溶液濃度不變。
       配製溶液從配製槽經熟化槽再進入儲存槽,當儲存槽液位處於高位時,配置過程自動停止,加藥液過程繼續,當溶液下降到中液位時,重新自動啟動配料過程。配製槽和熟化槽均設置攪拌器,充分保證絮凝劑的稀釋和熟化。另外,儲存槽溶液不足時會觸及下液位報警係統,所有係統均停止並報警。本裝置是由具有自動化程度高、性能穩定、工作可靠、操作簡單等特點。

產品特點
       1、自動化程度高、操作簡單方便;
       2、係統穩定可靠,有故障時相關設備會自動按要求停止,同時發出報警信號;
       3、采用螺旋給料器投加粉體,可手動調速,保證投料均勻、分散、精度高;
       4、在規定的生產量及連續投液條件下,其配置濃度為0.1%-0.5%;
       5、幹粉不足、藥液不足時均能發出報警信號;
       6、采用微型振動馬達防幹粉倉內架橋;
       7、預混器加速粉料的水化作用。

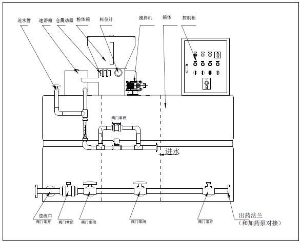
設備配置說明
標準配置 9、進水流量計(管式)
1、三腔式預調、熟化、成藥箱體 10、進水電磁閥
2、幹粉投加箱 11、管閥件組合
3、幹粉速溶裝置 12、控製箱子(本地控製含遠程控製接口)
4、手調式幹粉加藥器 可選配置
5、幹粉倉振動器 1、藥粉加熱裝置
6、幹粉斷料報警器 2、進水電磁流量計
7、混合攪拌機 3、高濃度液態稀釋係統
8、成藥液位控製器 4、藥液投加泵

外形示意圖

技術參數表
型號 泡藥量 (L/H) 箱體有效總體積 (m3) 總功率 (kw)
TBAD1000 1000 1.5 2
TBAD 1500 1500 2 2.8
TBAD 2000 2000 2.5 2.8
TBAD 2500 2500 3 3.85
TBAD 3000 3000 3.5 3.85
TBAD 3500 3500 4 3.85
TBAD 4000 4000 4.5 5.05
展開
麻豆网页在线免费观看/清晰/高清